2026年昭通销售管理部宣传及网点物料采购项目询价函
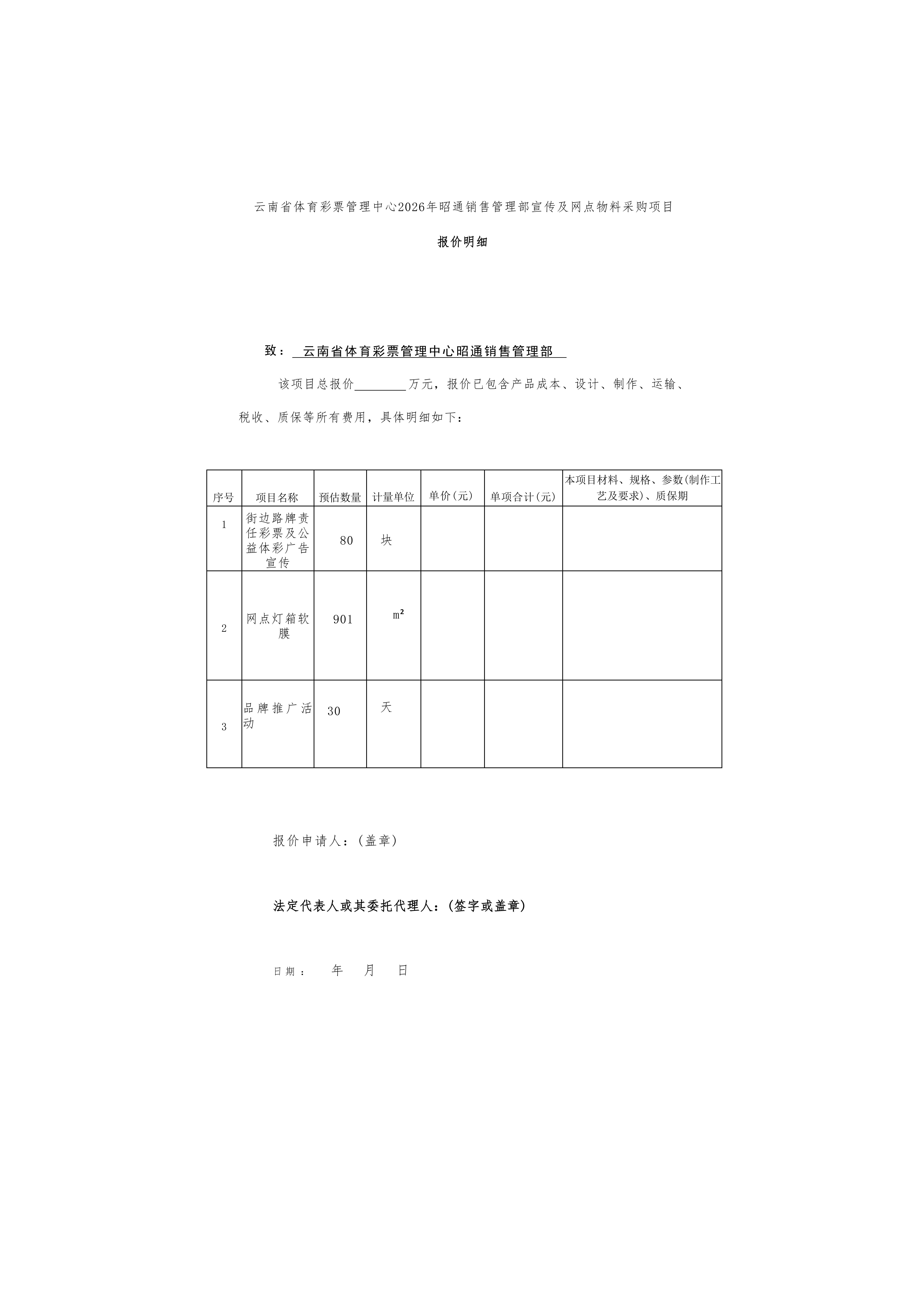
云南省体育彩票管理中心2026年昭通销售管理部宣传及网点物料采购项目
云南省体育彩票管理中心2026年昭通销售管理部宣传及网点物料采购项目











中国体育彩票温馨提示:购彩有节制,请理性投注!未满18周岁的未成年人不得购买彩票及兑奖!
延伸阅读:
- 关于停止销售2021年印刷批次即开型体育彩票2025-11-01
- 周二竞彩篮球强档:森林狼以逸待劳 雷霆体2025-05-21
- 楚雄销售管理部2025年展示体验中心代销者邀2025-05-06
- 周二竞彩篮球焦点:勇士库里复出 雷霆攻防2025-11-11







云南体彩
云南体彩
云南体彩
